
產品與解決方案/PRODUCT AND SOLUTIONS
少用電 用好電 再生電 存儲電 防爆電
解決方案
中壓變頻器在煤礦主扇風機上的應用
1引言
隨著我國經濟的發展,各行各業煤炭的需求量也越來越大,各大型煤炭企業紛紛開辟新的礦井來擴大規模,并且利用各種技術降低生產成本,因此變頻器在煤炭行業的需求也就越來越大。
主扇風機是煤礦通風系統中最重要的一部分,它可以說是每一個井下工作人員的呼吸要道,因此它也是煤礦安全生產中最重要的一個環節。長期以來,礦井主扇風機的功率都比較大,而且一天24小時不間斷運行,礦井所需的風量都是通過調節風門擋板或葉片角度來實現,根據反風及開采后期運行工況要求,所設計的通風機及拖動的電動機的功率,通常遠大于煤礦正常生產所需的運行功率。風機設計上余量特別大,在相當長的時間風機一直處在較輕負載下運行,因此,煤礦通風系統中存在著極為嚴重的大馬拉小車現象,能源浪費非常突出。
2 用戶介紹
山西焦煤集團正興煤業有限公司于2009年8月由山西焦煤集團投資有限公司作為主體企業,重組整合偏關縣五座煤礦而成,下有九鑫礦、閆家溝礦兩座礦井。九鑫礦生產能力為120萬噸/年,其主扇風機擔負著整個礦井的通風任務,要求安全穩定性極高,因為風機一旦停機,短時間內就將造成全礦無法正常生產,控制方式采用調節風門開度的大小來調整風量,這樣,不論生產的需求大小,風機都要全速運轉,而運行工況的變化則使得能量以風門節流損失消耗掉了。不僅控制精度受到限制,而且還造成大量的能源浪費,從而導致生產成本增加,設備使用壽命縮短,設備維護、維修費用高居不下,針對這種情況,礦領導經過論證,決定選用山東新風光電子科技發展有限公司生產的JD-BP34系列中壓變頻調速器4套對主扇風機進行控制,改造取得了成功。
九鑫礦主扇風機為兩臺,一用一備,現場1#、2#通風機設備參數相同,下面表1、表2給出1#風機基本參數。現場主扇風機如圖1所示。



3 風光牌JD-BP34-270F中壓三電平變頻器介紹
風光牌JD-BP34-270F中壓三電平變頻器采用高速DSP和CPLD芯片作為主控器件,主電路采用三電平或稱中點箝位拓撲結構。友好人機界面可以設置各種參數及實時監測運行狀態。國內較早成功研制三電平變頻器的廠商,產品榮獲山東省科技進步獎。
3.1 產品性能特點
(1)主電路采用三電平或稱中點箝位拓撲結構,不但能輸出較高電壓,而且能降低輸出電壓諧波成分和電壓變化率dv/dt,輸出波形良好。
(2)輸出端采用三相RLC低通濾波器,將變頻器輸出的三相SPWM波濾成正弦波,有利于保護電機。
(3)采用先進的高速DSP和CPLD芯片作為主控器件,保證變頻器的穩定運行。易于操作的人機界面可實現各種參數的設置及運行狀態的監控。
(4)不受電網波動影響,電機側電壓穩定。增加低頻啟動電壓可以補償線路損耗,適應遠距離傳輸(最遠達3000m以上)。
(5)保護功能齊全。設有過壓、欠壓、硬件過流、2倍過流、過載、欠載、溫升過高及失速等保護,并配有電機保護儀,變頻器一旦保護,會立即保存故障數據,便于查找分析,有效保護變頻器及電機。
(6)內置PID調節器,可開/閉環運行。
3.2產品技術規范


3.3風光牌JD-BP34-270F中壓三電平變頻器有關設計
本文僅對該變頻系統的技術特點簡述如下,與380V級通用變頻器相同部分不再贅述。
(1)主電路與功率器件的選擇
在PWM電壓型380V級變頻器中,一般采用兩電平電路。若用兩電平電路實現1140V的輸出勢必要用昂貴的高壓管或采用低壓管串聯結構,由于器件串聯動態均壓問題不易解決,應盡量避免。
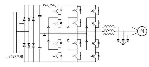
本設計的整機方塊圖如圖2所示。

圖2 整機主回路
其中主電路部分采用三電平電路或稱中心點部位(NeturalPointClamped-Npc)方式,它不但能輸出較高電壓,而且能降低輸出諧波和電壓變化率(dv/dt),良好的波形正是本設計的目標之一。圖中的功率開關器件選用西門子的雙單元IGBT模塊(300A/1700V),采用兩模塊并聯,整流橋采用300A/1600V雙單元,整流后由兩組大電容器相串聯組成濾波器,電解電容采用10000UF/400VDC,六串四并,如圖電容器的連接點即本電路的中心點(三電平的中間電平)。主回路可控硅延時導通,選用350A/1600V的模塊。
(2)載波頻率的選擇
提高載波頻率對改善波形、降低噪聲大有好處,可是載波頻率提高,會使開關損耗增加,所以選擇時必須權衡利弊,本設備中載波頻率選為2.0kHz,選擇這個值時考慮到了輸出端LC低通濾波器電感鐵芯的重量因素。
(3)變頻器有關參數設置如表4所示。

4改造主回路控制方案
正興煤業九鑫礦主扇風機為兩臺,一用一備。風機電機變頻器采用一拖一控制,風光中壓變頻調速系統由一次回路進線柜、變頻單元柜組成。變頻運行時,變頻器為電機提供全面的保護。如果變頻器在運行中出現故障,立即將備用風機投入運行,保證煤礦通風生產要求。1#風機中壓變頻器柜一次回路如圖3所示。

DL:用戶負荷開關
1#、2#BPQ:JD-BP34-270F中壓變頻器
D:220kW/1140V異步電動機

圖4 中壓變頻器運行照片

圖5 人機界面運行圖
5 現場應用情況
正興煤業九鑫礦主扇風機選用型號JD-BP34-270F風光變頻器4套,于2012年7月2日一次性投運成功。變頻運行后,風門全部打開,運行頻率26Hz左右,不僅完全滿足煤礦生產工藝要求,而且用戶操作非常方便。變頻器運行穩定。變頻器現場運行如圖4所示,人機界面運行如圖5所示,變頻器運行參數記錄如表5所示。

風機采用變頻器改造投入運行后,輸入電流從72A下降到30A左右,風機電機功率從113.7kW下降到56.9kW,節電率為(113.7kW-56.9kW)/113.7kW=50%。
變頻改造的其他優點:
(1)采用變頻器后啟動風機時可以實現變頻軟啟動,避免了啟動電流對電網及控制設備的沖擊,可以有效地延長電氣設備的使用周期。
(2)按需調節風量,調速范圍寬且調速精度高,避免浪費。進行變頻改造后,風機的風量不再需要通過改變葉片角度來調節,而是由變頻器通過調節電機的轉速來實現,調節線性度好,因而可以根據井下生產需要隨時調節風量,避免了浪費。
(3)降低了風機的工作強度,延長了使用壽命。進行變頻改造后,風機的大部分時間工作在低速狀態下,因而大大降低了風機的機械強度和電氣沖擊,大大延長了風機壽命,提高了風機的安全運行系數和運行周期。
(4)變頻器具有短路、過載、過壓、欠壓、缺相等各種保護,有效地保護了電機。
(5)改善了現場工作環境,由于降低了風機的轉速,風機噪聲大大降低,深受現場工作人員的歡迎。
(6)減少了反風中的操作環節,以前反風需要操作系統的立式風門、水平風門以及反風風門,工序繁多而且經常出現倒錯風門的事故。現在使用軸流式風機和變頻器控制后,反風時極其簡單,只要在人機界面上將運行頻率調整為負的頻率,電機就會先減速至零點然后再反轉到所調頻率,這期間不用再調整整個風門系統,減少了工作量,降低了操作過程中的故障率。
6結束語
正興煤業九鑫礦主扇風機經過變頻改造之后,不僅達到了良好的節能效果,并且使整套通風系統的穩定性提高了一個大臺階。隨著國家對節能減排工作的越來越重視,煤礦企業通過各種措施降低生產成本,其中變頻技術起到了關鍵作用,取得了明顯的經濟效益和社會效益,適應了國家建設資源節約型社會的潮流。