
產品與解決方案/PRODUCT AND SOLUTIONS
少用電 用好電 再生電 存儲電 防爆電
解決方案
大功率可再生能源回饋并網裝置
一、 引言
在交-直-交控制系統和風能、太陽能等可再生能源控制系統中,可再生能源的處理,一般有超級電容貯能、電磁軸承飛輪貯能、純電阻消耗及回饋并網等方法。針對大功率再生能源系統來講,超級電容貯能具有投入成本大、維護費用高等缺點;電磁軸承飛輪貯能目前仍在實驗室階段,可能存在一定技術難題;純電阻能耗制動結構簡單,運行可靠,操作方便,但發出的能量全部轉化為電阻的熱能消耗掉,所以效率非常低,在絕大多數可再生能源控制系統中是不適合應用的;而可再生能源回饋并網系統既可以解決效率低的問題,又可以減少投入成本,提高運行效率,屬于當今世界的一種“綠色”電力電子變換技術。國內許多高校和研究所都把此當作研究熱點,查閱近幾年信息來看,其實在運行實際產品不多,大多數只談到實驗樣機,且樣機中幾個關鍵參數與實際產品有較大差距。針對此問題,我們山東新風光電子科技發展有限公司投入大量人力、物力,用幾年的時間研發出兆瓦級的大功率可再生能源回饋并網裝置。
二、 系統控制原理
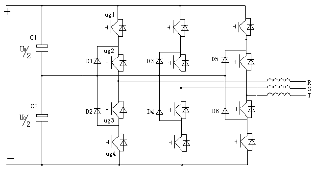
大電流再生能源回饋裝置的單個單元主電路如圖1所示。主電路拓撲采用三電平電路,每一相橋臂4個開關元件有三種正常的開關模式。

以A相為例:Ug1和Ug2導通時,A相輸出+U0/2;Ug2和Ug3導通時,A相輸出零電平;Ug3和Ug4導通時,A相輸出-U0/2。如果用Sa、Sb、Sc分別表示各橋臂的開關狀態,每一橋臂都有三種開關狀態,如表1所列。

當裝置功率大時,需要這樣幾個主電路并聯,并聯時需考慮均流與環流及其相位問題,同時采用二極管鉗位的三電平電路需考慮直流端電容中點電位不平衡問題,在軟件PWM波生成電路中尤其注重此點。
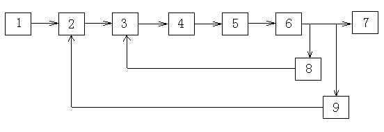
圖2是大功率再生能源回饋裝置的控制方塊圖。整個裝置的控制系統是電壓外環與電流內環的雙閉環控制控制。在圖2中,1-系統母線給定值,2-電壓調節器,3-電流調節器,4-PWM信號生成部分,5-主功率器件電路,6-均流與環流抑制電路,7-交流電網,8-相電流檢測電路,9-相電壓檢測、同步信號生成及母線

電壓采集電路。首先裝置的控制系統實時檢測系統母線,當高于某一設定值時,系統投入工作,母線檢測值與母線設定值做差,其值輸入電壓調節器經過一定控制運算,完成電壓外環的控制功能,電壓調節器的輸出便是電壓外環的輸出信號,同時也是電流內環的給定信號,其值與系統檢測到的實時電流做差,再經過電流調節器的控制運算,完成電流內環的控制功能。此方塊的輸出直接送給PWM信號生成部分,其生成的PWM波送給主功率器件電路,最后多個主功率器件單元電路并聯,經過均流與環流抑制電路直接連到交流電網上。整個大電流再生能源回饋裝置控制系統就是這樣電壓外環與電流內環相互作用的雙閉環控制系統。
三、 系統技術特點
大功率可再生能源回饋并網裝置實現了網側電流正弦化,且能運行于單位功率因數,呈現出電流源特性,因而真正實現了電力電子的“綠色”電能變換技術,控制系統技術特點簡述如下:
(一)控制系統是電壓外環和電流內環的雙閉環控制系統。電壓外環是母線電壓檢測值與設定值,以及網側相電壓的同步信號生成電路相互作用,經過電壓調節器輸出電流內環的給定值。電流內環是整個控制系統的核心,其實,整個控制系統從核心上說就是網側電流的控制,也就是電流內環的控制。
(二)控制系統網側呈電流源特性,容易做多單元并聯裝置,易于可再生能源回饋并網裝置大功率化,能大功率化需要解決許多實際問題。
(三)網側功率因數可調,可再生能源回饋并網裝置可以做到負單位功率因數運行。
(四)網側電流波形正弦化,電流總諧波(THD)遠小于5%。
(五)主電路采用三電平電路,從電路拓撲上就有利于減小網側電流諧波且輸入輸出電壓范圍廣。
(六)控制系統采用數字化控制,運用了現代控制理論與現代電力電子技術相結合,使裝置易于控制,容易掌握。
(七)具有直流接反、過流、短路、溫度以及網側電壓異常等保護功能。
(八)具有動態響應快,能在短時間內輸出大電流,整體效率高等優點。
四、實驗結果分析
我公司做的大功率可再生能源回饋并網裝置經鐵道部產品質量監督檢驗中心檢驗證明:具有輸出功率大、網側電流波形好、整體效率高等特點。表2是功率因數、直流側輸入電壓、網側交流電流及整體效率的簡表。
表2 電壓、電流、效率、功率因數表
從表2中可以看出,隨網側電流的增大,其功率因數越來越接近于1,也就是說其網側電流的總諧波(THD)越來越小,其整體效率有減少的趨勢。這也符合現代電力電子器件的特性,電流增大,器件的損耗增加,整體效率也就減少了。
表3是接表2的網側各相電流的諧波含量表。
表3各相電流諧波
從表3中可以看出,隨著大功率可再生能源回饋并網裝置網側輸出電流的增大,其網側電流諧波是越來越小的,在輸出網側電流265.4A以上時,其各相電流總諧波(THD)遠小于5%,同時表3內容趨勢是與表2也是相符的。
五、結論
我公司研制的大功率可再生能源回饋并網裝置是一種“綠色”電力電子變換控制系統,是電壓外環和電流內環相互作用的雙閉環控制系統,其網側功率因數高,波形正弦化,呈現電流環特性,容易做多單元并聯等特點,在城市軌道交通、靜止無功補償器、有源電力濾波器、統一潮流控制器、超導儲能、高壓直流輸電以及電氣傳動、太陽能、風能等可再生能源的并網發電等領域中應用。可以預言,在當今能源危機的時代中,此項技術將越來越被同行業人士重視起來。