
產品與解決方案/PRODUCT AND SOLUTIONS
少用電 用好電 再生電 存儲電 防爆電
解決方案
高壓動態無功補償裝置在農村電網中的應用
1 前言
隨著國家支農惠農政策的相繼出臺,農村經濟得到迅猛發展,農民生活逐年改善。在用電方面,隨著全面實現城鄉同網同價,機械化生產、電氣化生活在農村逐步推廣,電視機、電冰箱、洗衣機、電磁爐、電飯煲、空調等家用電器得到迅速普及,農村的用電量日益增大,以每年約10%~15%的速度持續遞增。這些電器設備的增加對電能質量造成了巨大的污染。主要體現在諧波嚴重超標,造成變壓器、電機、電容器組和線路的損耗加劇,甚至危及設備安全;產生的負序電流對電機等旋轉機械產生附加轉矩,降低工作效率,增加能耗;由于沖擊無功的作用,對電壓造成嚴重的波動和閃變,降低生產效率,單位能耗增加,同時造成產品質量下降。對這些大沖擊非線性負荷或不對稱負荷應進行就地無功補償和用電污染治理,即對該類污染從源頭進行治理,以達到電能質量治理、節能降耗、增加產量和提高產品質量的目的。
因此,采用無功發生器技術是解決這些問題的較有效措施之一,一方面可以抑制電壓波動,改善電能質量,另一方面對系統的阻尼特性也有一定程度的改善;可以提高受端電網的動態無功備用水平,提高受電能力。
無功補償技術的發展經歷了從同步調相機→開關投切固定電容→靜止無功補償器(SVC)→靜止同步補償器(SVG)的過程。靜止無功補償器(STATCOM,又稱SVG)采用了全控型開關器件(如IGBT),所以其動態補償效果是早期的同步調相機、電容器等無功補償裝置不能比擬的。靜止無功發生器以其較低的諧波,較高的效率,較快速的動態響應,將成為輸電系統中的重要設備。農村經濟發展和農民生活水平的提高,離不開作為基礎產業的電力的支持,農村電網對建設社會主義新農村有著至關重要的意義。
2
風光STATCOM(以下簡稱FGSVG)與傳統補償裝置的比較
風光STATCOM(以下簡稱FGSVG)是新風光電子科技股份有限公司自主研發的高壓動態無功補償裝置,采用現代電力電子、自動化、微電子及網絡通訊等技術,采用先進的瞬時無功功率理論和基于同步坐標變換的功率解耦算法,以功率因數、電網電壓或者兩者分時間段作為控制目標,動態的跟蹤電網電能質量變化來調節無功輸出,實現電網的高質量運行。FGSVG擁有自主知識產權和多項發明專利,以其較低的諧波,較高的效率,快速的動態響應,成為輸電系統中的重要設備。
FGSVG與同步調相機、SVC裝置比較具有如下優點:
(1)采用數字控制技術,系統可靠性高,基本不需要維護,可以節省大量的維護費用;
(2)在提高系統的暫態穩定性、阻尼系統震蕩等方面的性能大大優于傳統的同步調相機;
(3)控制靈活、調節速度更快、調節速度廣,在感性和容性運行工況下均可連續快速調節,響應速度可達毫秒級;
(4)靜止運行、安全穩定,沒有調相機那樣的大型轉動設備,無磨損,無機械噪聲,將大大提高裝置壽命,改善環境影響;
(5)對電容器的容量要求不高,可以省去常規裝置中的大電感和大電容及龐大的切換機構,使FGSVG體積小、損耗低;
(6)連接電抗小。FGSVG接入電網的連接電抗,作用是濾除電流中存在的較高次諧波,另外起到將變流器與電網連接起來的作用,因此其電感量遠小于補償容量相同的TCR等SVC裝置所需的電感量;
(7)FGSVG輸出電流不依賴于電壓,表現為恒流源特性,具有更寬的運行范圍。而SVC本質是阻抗型補償,輸出電流和電壓成線性關系。因此系統電壓變低時,同容量FGSVG可以比SVC提供更大的補償容量,FGSVG若配合同容量固定電容器可構成0~2倍容量的動態容性無功補償器,性價比更高;
(8)FGSVG比SVC具有更快的響應速度,因而更適合抑制電壓閃變。FGSVG響應時間在10
ms以內,而SVC響應時間一般在大于40 ms。FGSVG從額定容性無功功率變為額定感性無功功率(或相反)可在1
ms之內完成,這種響應速度完全可以勝任對沖擊性負荷的補償;
(9)FGSVG的橋式電路采用多重化技術、多電平技術或PWM技術來消除次數較低的諧波,并使如7、11等較高次數諧波減小到可以接受的程度。而SVC本身要產生一定量的諧波,如TCR型的5、7次特征次諧波量比較大,占基波值的5%~8%;其他如SR,TCT等也產生3、5、7、11等次的高次諧波,這給SVC
系統的濾波器設計帶來許多困難;
(10)在故障條件下,FGSVG比SVC具有更好的控制穩定性。SVC使用了大量電容器電抗器,當外部系統容量與補償裝置的容量可比時,SVC會產生不穩定性。FGSVG對外部系統運行條件和結構變化不敏感;
(11)FGSVG比同容量SVC占地面積小、成本低。FGSVG由于使用直流電容器儲能,可以減小電容器體積,且不需要并聯電抗器即可以控制無功功率平滑變化,因此安裝尺寸大大減小;
(12)FGSVG能夠在一定范圍內提供有功功率,減少有功功率沖擊。SVC只能提供無功功率,不具備提供有功功率的功能。
3
FGSVG產品系統介紹
3.1
FGSVG產品原理
FGSVG產品的原理示意圖如圖1所示,基本原理就是將自換相橋式電路通過變壓器或者電抗器并聯在電網上,適當地調節橋式電路交流側輸出電壓的幅值和相位,或者直接控制其交流側電流就可以使該電路吸收或者發出滿足要求的無功電流,實現動態無功補償的目的。

3.2 FGSVG產品結構
FGSVG產品系統主電路結構如圖2所示:

FGSVG產品的構成主要有三個部分組成:進線柜、功率柜、控制柜。圖3為電氣原理示意圖。
進線柜是連接電網與裝置的樞紐,控制裝置的掛網與斷網,并預留與原無功補償設備(FC)的接口,方便現場的對接。
功率柜采用模塊化設計,功率單元的結構和電氣性能完全一致,單元可以互換,方便檢修和維護。
控制柜人機界面優化處理,人性化設計,全數字化控制,實時計算電網所需的無功功率、諧波、負序電流等實現動態跟蹤與補償,對輔助設備實時控制,保持與上位機通訊,具有良好的可觀測性。

3.3 FGSVG電氣原理
FGSVG產品的主電路采用鏈式逆變器拓撲結構,Y型連接,10kV裝置每相12個單元串聯組成,6kV裝置每相8個單元串聯組成,運行方式為N+1模式。
這種結構可以獨立分相控制,有利于解決相間平衡問題,在系統受到干擾時,更好地提供電壓支撐;所有鏈節的結構完全相同,可以實現模塊化設計,便于擴展裝置容量;每相鏈節可設置一個冗余鏈節,當一個單元出現故障后仍可以滿負荷繼續運行,確保裝置的可靠性;去掉了連接變壓器,降低了裝置成本和損耗。
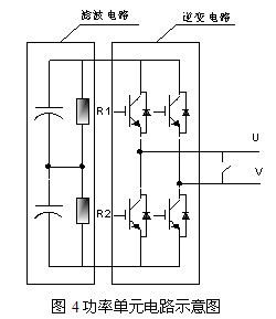
功率單元電路如圖4所示。為保證功率單元的可靠性,設計時選用同一批次的元器件,保證各元器件性能的一致性。每個功率單元均具有完善的保護措施,并且各工作狀態均送回主控單元,主控與各單元信號連接均采用光纖。

FGSVG裝置控制核心由高速32位數字信號處理器DSP、大規模可編程邏輯器件CPLD/FPGA和一體化人機界面協同運算來實現,精心設計的算法可以保證FGSVG達到較優的運行性能。提供友好的全中文監控和操作界面,同時可以實現遠程監控和網絡化控制。PLC控制器用于柜體內開關信號的邏輯處理,以及與現場各種操作信號和狀態信號的協調,增強了系統的靈活性。控制器采用大規模集成電路和表面焊接技術,系統具有極高的可靠性。
另外,控制器與功率單元之間采用多通道光纖通訊技術,低壓部分和高壓部分完全可靠隔離,系統具有極高的安全性,同時具有很好的抗電磁干擾性能,并且控制器有一套獨立于高壓電源的供電體系,功率單元的控制電源采用一個獨立于高壓系統的電源,方便調試、維修,增強了系統的可靠性。在不加高壓的情況下,設備各點的波形與加高壓情況基本相似,給整機調試帶來了很大方便。
4四川某典型應用案例
塔山供電所位于三臺縣東路的塔山場鎮,現有6300kVA主變兩臺,全年供電量2000多萬kW·h。轄區35kV劉塔線路一條18.6公里,10kV線路共六條共計312.3公里,共計量用戶27905戶,現在10kV母線上裝設2000kvar的SVG一臺。供電系統結構如圖5所示。

用戶現場在集中用電高峰時,功率因數很低,此時電網功率因數仍然在0.2以下,存在“欠補”現象;在用電低谷時,存在“過補”現象。波動明顯的無功功率導致10kV電網母線電壓的波動,對用戶用電安全造成影響,供電所原來配置2組0.6MVAR無功補償電容器,其中一組電容器已經損壞,并且單組電容器在投切過程中無法無級調節無功功率。
電力公司領導經過多方考察,選用山東新風光電子科技發展有限公司生產的FGSVG,規格型號為:±2000kvar/6kV,對電網進行無功補償及諧波治理。于2011年9月25日開始了安裝、主電纜及控制線路的鋪設、繼保的整定調試、電纜的耐壓試驗及裝置本身的性能調試及檢驗。經嚴格的程序批報,本臺裝置于2011年9月30日正式在塔山供電所聯網。在聯調期間裝置未對電網正常運行帶來任何不良影響。
FGSVG可與原電容柜并列運行也可以單獨運行,由于FGSVG具有容感性連續調節功能,安裝FGSVG裝置后,不僅使電網功率因數由原來的0.2以下提高到0.98以上,并且解決了現有電容器補償裝置“過補”的問題。FGSVG工作可靠,功能齊全,自動化程度高,操作簡單,能實時記錄各種運行參數及發生的故障并對各種故障進行自動保護,與現有的無功補償設備相比優越性非常明顯。
圖6為投入前功率因數曲線,圖7為投入后功率因數曲線。


5使用效益分析
在電網中安裝FGSVG,不僅可使功率消耗減小,功率因數提高,還可以充分挖掘設備輸送功率的潛力。配電網加裝FGSVG后,從電網電力用戶的效益分析,主要集中在以下幾個方面:
(1)可以大大改善電能質量。
(2)有效降低電能損耗。
(3)減少用戶電費支出。
FGSVG無功補償的效益非常明顯,經測算,該用戶每年節約電費100多萬元。用戶補償后也使電網降低了損耗,提高了電壓質量。
6結束語
在農村電網采用無功補償改善供電系統的電網質量,這樣不僅能增大有功輸出能力,使設備容量得到充分利用,而且增加了輸電能力,減少功率損耗和電能損耗,降低了線路中的電壓損失和電壓波動,從而達到節約電能和提高供電質量的目的,為用戶創造了可觀的經濟效益,是一件利國利民的好事,值得在農村電網系統大力推廣。