
產品與解決方案/PRODUCT AND SOLUTIONS
少用電 用好電 再生電 存儲電 防爆電
解決方案
反向整流同步信號模擬電路的獲取探討
引言
在反向整流控制中,需要6個控制IGBT的同步信號,在以前的試驗中,同步信號的獲取是先由模擬電路對兩個線電壓進行調理,然后兩個線電壓信號再進入DSP通過AD轉換為數字信號進行處理,數字信號處理中又通過鎖相環或者帶通濾波處理得到正弦同步信號,最后通過這兩個正弦信號進行適當的邏輯處理得到6個控制IGBT的同步信號,在這種同步信號的獲取中硬件電路需要有DSP或者MCU處理器來處理,涉及到這類信號處理器就要考慮其可靠性,如抗干擾方面、PCB板布局方面、芯片多管腳的焊接方面等。
針對上述情況,我們考慮是否能直接用部分模擬電路簡單產生信號,然后通過CPLD進行邏輯處理得到6個同步信號,在單元控制板中,由于逆變也需要利用CPLD來處理逆變部分的信號和與主控進行通信的處理,所以CPLD是必不可少的,因此由模擬電路產生的信號通過CPLD處理也是比較直接的過程。
1、存在的問題
在模擬電路產生信號中,主要還是對線電壓或者相電壓過零點的獲取,在過零點的獲取中常用的是用運放進行過零比較。在反向整流工作中,由于電源的內阻存在,在輸入電源上就存在IGBT開通或關斷時產生的缺口,如圖1所示:
圖1、反向整流工作的電源相電壓
上圖為反向整流工作時的電源相電壓,對此如果用線電壓獲取同步信號時就會存在線電壓過零點的不準確,如果對線電壓進行濾波處理雖然可以去掉缺口,但可能對信號產生相移,從而用線電壓進行比較獲取過零點并不大合適;如果用上圖相電壓進行過零比較來獲取過零點,這樣在缺口處和過零點處就出現過零點信號,由于缺口處的寬度比較窄,缺口處可以通過CPLD處理去除,然后留下比較真實的過零點,但是由于變壓器到單元之間為三相三線制,不存在中線,所以需要通過三相制造一個中點,但這樣這個中點的電位是不確定的,是浮動的,所以也完全可能造成過零點不準確,特別是三相出現不平衡時就比較明顯,對此采用相電壓進行過零比較也是不大合適。
2、解決的方法
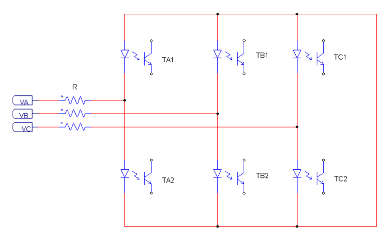
對于上述情況考慮采用光耦來獲取同步信號的過零點,這樣就可以不用考慮三相中點電位問題,又能夠獲取相電壓的過零點,初步方式如圖2所示:

圖2、光耦獲取同步信號
在這個電路中通過光耦TA、TB、TC的次級就可以獲取三相的過零信號,但在反向整流工作中仍然由于電源缺口在光耦次級會有比較窄的過零脈沖,但是完全可以通過CPLD適當的處理去掉,如圖3中的藍色,沒有經過CPLD處理時獲取的信號:

圖3、過零脈沖的獲取
3、6個同步信號的產生方法
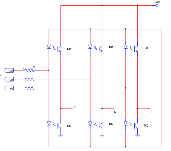
由于反向整流要求同步信號有比較高的對稱波形,上面的電路中只是取到了相電壓的大于零的部分,但由于光耦和二極管的壓降存在,可能會使得不對稱的情況產生,所以如果要正負半周對稱,可以考慮使用6個光耦來產生信號,如下圖:

圖4、6路同步信號的獲取電路
通過6個光耦就可對稱地獲取三相的同步信號,這6個同步信號先進行整形,然后進入CPLD進行窄脈沖的去除,在去除窄脈沖時,可以考慮利用延時的方法,延時時間選擇為1.66667mS(對應50HZ時的30度),這樣既去除了窄脈沖又得到了線電壓的過零點信號,然后對這6個信號進行邏輯運算就可得到驅動6個IGBT的信號,完成同步信號的獲取。
4、電路的優化
在考慮用普通光耦達到快速的電平翻轉,可采用光耦次級進行推挽輸出的方式,這樣可以加速電平翻轉和減小光耦產生的延時,其電路結構如下:

圖5、推挽輸出的電路
通過這種電路后,在光耦的次級不存在取樣電阻的選擇,對輸出的信號a\b\c在光耦導通時由于其與電源和地之間阻抗較小,抗干擾又有進一步的提高,存在的問題是在上光耦和下光耦都沒有導通工作時,信號a\b\c輸出是處于不確定電平狀態,在進入整形之前需要通過電阻確定電平,在CPLD內處理的過程和邏輯仍然相同。這種電路工作中相互得到的信號如下:

圖6、電路的信號波形
A為a相的相電壓,B為上電路結構中a輸出的信號,C為信號a進行1.66667毫秒的延時濾波(圖中考慮光耦次級連接方式進行了反向處理)波形,D為理想中對應的三相相電壓波形(三相相序為正序情況,即B相滯后A相120度,C相滯后B相120度),從波形上不難看出,信號a進行30度的濾波延時后其上升沿正好是線電壓AB的過零點(即A相與C相的交點,見上圖中的D圖),信號a\b\c進行同樣的處理后可以進行如下邏輯處理來得到6個驅動信號:

圖7、信號的邏輯處理電路
圖中t1\t2對應A相,t3\t4對應B相,t5\t6對應C相,假設信號a\b\c進行濾波延時處理后的信號為A\B\C,則6個驅動信號的邏輯處理為:
t1 = A and !B t2 = !A and B
t3 = B and !C t4 = !B and C
t5
= C and !A t6 = !C and
A
這樣邏輯處理后正好對應6個IGBT是進行120度工作,在實際中CPLD內還需要對輸入的三個信號進行相序的辨識,上面的邏輯關系是對于正序A-B-C的關系,如果是負序(A-C-B)時,需要對邏輯關系進行適當調整,負序時只需要將用到B相的信號與C相進行交換即可。
5、注意的問題
在信號濾波延時過程中需要注意事項,由于光耦前級限流電阻不能選擇太小(電阻功率受限),由于電阻值比較大,在光耦次級產生的信號a\b\c存在延時問題,電阻越大延時就越大,此時在濾波延時的時間就要小于1.66667mS,如果不減小延時時間,在回饋電流上就會產生比較大的峰值電流,通過仿真可以看到,如果R=500K時,可以用濾波延時1.2mS時,峰值電流就比較小,如果還用1.66667mS作為濾波延時時,峰值電流能達到正常電流的2倍以上。
在采用這種方法時利用電流觸發光耦導通,從而可以提高抗干擾,也不需要做AD變換來進行數字處理,在單元輸入缺相時,其光耦產生的信號就不是180度導通的狀態,這樣就可利用CPLD進行一個邏輯判斷就可知道是否缺相。
6、總結
以上探討了直接用部分模擬電路簡單產生信號,然后通過CPLD進行邏輯處理得到6個同步信號,去控制反向整流電路的方法,實際應用中也可能遇到沒有考慮全面的問題,需要在實際的試驗中加以完善,但這畢竟是一個較好的控制策略,比數字處理電路要來的簡潔、可靠,省去了抗干擾、PCB板布局、芯片多管腳的焊接等方面的困擾,應該是一個較好的方法。