
產品與解決方案/PRODUCT AND SOLUTIONS
少用電 用好電 再生電 存儲電 防爆電
解決方案
節能降耗 提質增益 | 新風光大功率變頻器在鋼鐵行業燒結風機的應用
項目概述
燒結風機為鋼鐵企業的關鍵設備之一,擔負著燒結燃燒過程中持續送風功能,電機功率較大,啟動時電流會給電網造成巨大沖擊,且電機運行過程中不允許停止。現場為7000kW勵磁電機,變頻器需要配合原有設備,使用固定勵磁模式調試,爭分奪秒,最終設備一次性帶載運行成功!

現場工藝
燒結生產流程:燒結作業系將粉鐵礦,各類助熔劑及細焦炭經由混拌、造粒后,經由布料系統加入燒結機,由點火爐點燃細焦炭 ,經由抽氣風車抽風完成燒結反應,高熱之燒結礦經破碎冷卻、篩選后,送往高爐作為冶煉鐵水之主要原料。
新風光方案
針對現場工況,負載為10kV 7000kW電勵磁燒結風機,新風光配置的大功率高壓變頻器JD-BP38-8000FF,配置有輸出電壓檢測板,采用一拖二配置,現場改造項目,配合現場原勵磁系統,設置為固定勵磁方式。


現場變頻器

現場勵磁柜

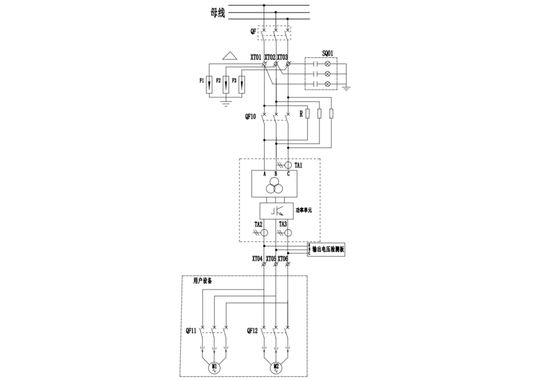
主回路系統圖
高壓變頻器配套現場的勵磁柜進行升級改造,采用固定勵磁的方式驅動現場的電勵磁電機運行,變頻器配合現場設置勵磁電流大小,并依據運行頻率的大小分兩段進行控制。
現場增加配置,依據現場需求任意選擇當前的電機啟動回路,現場點擊開機信號后對應回路的輸出斷路器閉合并開機,現場給出停機信號,停機后斷開輸出接觸器,防止電流倒灌。現場控制電調試,模擬開停機過程和模擬量交互勵磁電流過程,全程調試無異常。
01.高性能
采用VF控制模式控制超大功率電勵磁電機,低頻下固定勵磁啟動,電流可控,響應時間快,實現固定勵磁分斷調節,滿足現場勵磁改造啟動。
02.高可靠
采用模擬量通訊控制勵磁信號,依據現場實際需求更改勵磁電流大小,依據運行頻率大小實現切換,采用輸出電壓板檢測當前電機運行頻率,電勵磁電機同樣實現穩定飛車啟動,確保運行過程穩定可控。
03.強適應
調速范圍寬,精度高,具有超強高低電壓穿越功能,電網出現短時掉電時,具備瞬時停電再啟動功能,保障用戶負載穩定運行。
04.易管理
支持Modbus-RTU、Profibus-DP、Modbus-TCP、Profinet-PN等多種通信協議,方便與用戶DCS系統相連,實現設備集中化管理。
使用能效
系統特點及節能效果:
● 實現了大功率電勵磁電機的固定勵磁啟動運行,啟動過程平穩。
● 減小了維護工作量和維護費用,為用戶帶來實際價值。
● 調速范圍寬,精度高,燒結風機可以依據現場實際需求調節運行,并實現了飛車啟動。
● 變頻器具有多項電勵磁電機保護功能,保證現場穩定運行。
● 在現場停產24小時的基礎上,一次性調試并帶載運行成功,完全滿足現場實際運行需求,贏得客戶的好評。
● 現場實際運行中,電流穩定,波形良好,單元溫度穩定。
現場運行HMI主畫面
現場運行電流波形
現場運行單元電壓及溫度
結束語
新風光大功率變頻器的電勵磁電機驅動技術,在采用固定勵磁的基礎上,降低啟動電流大小,大大減少了電網的沖擊,一次性調試帶載運行成功,得到客戶的認可。該變頻器使用后對電網諧波干擾較小,輸入功率因數高,輸出波形質量好,值得在行業中大范圍推廣。