
產品與解決方案/PRODUCT AND SOLUTIONS
少用電 用好電 再生電 存儲電 防爆電
解決方案
高壓變頻器在山西華燁煤礦絞車中的應用
1引言
山西臨縣華燁煤業有限公司位于呂梁市臨縣林家坪鎮滴水局村南,煤礦井田面積6.971km2,生產規模為120萬噸/年。此次改造的礦井提升機為礦井主斜井,斜井斜長837米,傾角23°,井口安裝JK-2×1.5絞車,斜井擔負著提煤、下放大件、檢修皮帶機任務。
礦井提升機采用繞線式異步電動機拖動,電機的調速方式采用傳統的串電阻調速方式,該調速方式屬于落后技術,存在以下缺點:
(1)大量的電能消耗在轉差電阻上,造成了嚴重的能源浪費。
(2)控制系統復雜,導致系統的故障率高,接觸器、電阻器、繞線電機碳刷容易損壞,維護工作量很大,直接影響了生產效率。
(3)低速和爬行階段需要依靠制動閘皮摩擦滾筒實現速度控制,特別是在負載發生變化時,很難實現減速控制,導致調速不連續、速度控制性能較差。
(4)啟動和換檔沖擊電流大,造成了很大的機械沖擊,導致電機的使用壽命大大降低,而且極容易出現“掉道”現象。
(5)自動化程度不高,增加了開采成本,影響了產量。
(6)低速段的啟動力矩小,機械特性比較軟,帶負載能力差。
針對以上這些問題,煤礦決定對原系統進行改造。根據當今科技的發展,采用技術含量較高的變頻調速,替代原來的繞線電機串電阻調速,是較理想的方案。經礦方多方面考察多個用戶現場,選用了山東新風光電子科技發展有限公司生產的風光牌JD-BP38-400T型高壓提升機變頻系統。
臨縣華燁煤礦絞車現場為單滾筒絞車,絞車設備配置如表1、表2所示。現場設備如圖1所示。
圖1 現場設備圖
2 新風光高壓提升機變頻器系統的特點
新風光電子公司是國內較早的從事提升機變頻器研究的專業廠家,風光牌高壓提升機變頻器被列入國家火炬計劃,產品榮獲國家重點新產品、山東省科技進步獎,產品被列入國家重點節能技術推廣目錄第一批名單。
此次變頻改造選用1臺JD-BP38-400T型高壓提升機變頻器,額定電壓10kV,額定電流29A,額定功率400kW。高壓提升機變頻器技術指標如表3所示。
JD-BP38-400T型高壓提升變頻調速器采用進口IGBT為主控器件,采用先進的矢量控制調速技術,以DSP為控制核心,精心巧妙科學的程序邏輯,以彩色液晶觸摸屏為人機對話界面,科學人性化的界面語言,全中文的語言顯示,便于操作及查詢。風光牌高壓提升機變頻器,即可用于鼠籠式電機也可用于繞線式電機,即可用于新礦井配套安裝,也可用于老礦井改造。風光10kV高壓提升變頻器,采用若干個低壓逆變器功率單元串聯的方式實現直接高壓輸出,所用的10kV高壓提升變頻器,變壓器有27組付邊繞組,每相分為9個功率單元,三相共27個單元,采用54脈沖整流,輸入端的諧波成分低于國標規定。高壓提升變頻器系統結構如圖2所示。功率單元電路如圖3所示。
圖2高壓提升變頻器系統結構圖

圖3功率單元電路結構
控制器核心由高速32位芯片運算來實現,精心設計的算法可以保證電機達到較優的運行性能。人機界面提供友好的全中文監控和操作界面,同時可以實現遠程監控和網絡化控制。PLC控制器用于柜體內開關信號的邏輯處理,以及與現場各種操作信號和狀態信號的協調,增強了系統的靈活性。控制器及各控制單元板中采用先進的單片機等大規模集成電路和表面焊接技術,系統具有極高的可靠性。此外還有一個CPU,負責管理LED顯示屏和鍵盤。
另外,控制器與功率單元之間采用多通道光纖通訊技術,低壓部分和高壓部分完全可靠隔離,系統具有極高的安全性,同時具有很好的抗電磁干擾性能,并且各個功率單元的控制電源采用一個獨立于高壓系統的統一控制器,方便調試、維修、現場培訓,增強了系統的可靠性。
高壓提升變頻器是整個電控系統的一個核心部分,它具有與電控系統相適配的各種接口。它接受操作臺電控系統的操作命令,同時它又將運行狀態,包括工作頻率、電機電流、電源電壓、電流及故障信息隨時送給電控系統。變頻器本身又將工作信號及工作狀態自動記錄以備查閱,依據用戶要求連接打印設備,每班數據打印,形成設備報表。變頻器的所有輸入、輸出接口均進行了隔離,避免對變頻器引入干擾。當電機處于負力提升時,變頻器實時檢測進行能量回饋電網。
3變頻改造方案
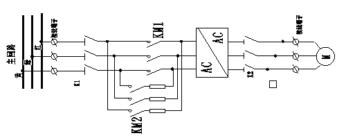
3.1主回路改造接線
改造提升機用變頻器是在原提升機電控系統的基礎上,加裝變頻調速系統,高壓變頻器為山東新風光電子公司生產的JD-BP38-400T型高壓提升機變頻器,安全可靠,狀態顯示齊全,具備與絞車控制系統配合的各種接口,滿足現有的各種電器閉鎖要求,符合《煤礦安全規程》要求。改造中將原繞線電機轉子回路進行短接處理,利用原繞線電機,節約了投資。
依據生產情況確定設備改造時間定于2013年11月初進行。為不大面積影響煤礦生產,把輔料預先下放到位,間歇性停機改造。
主回路改造原理如圖4所示:
圖4 主回路改造圖
3.2變頻控制與操作臺接口
變頻器與電控系統連接框圖如圖5所示。
(1)速度控制信號輸入
電控系統給一路4~20mA模擬量速度信號。
(2)模擬量輸出
系統提供兩路模擬輸出,模擬量輸出設定為4~20mA輸出電流和4~20mA輸出頻率。
(3)與操作臺遠程控制
上提、下放、抱閘(松閘)、安全回路輸入、安全回路輸出、變頻就緒、故障輸出。
圖5 變頻器與電控系統連接框圖
3.3變頻器有關參數設置
現將調試中的一些參數設置介紹如下。
1、變頻器的加減速時間設置很重要,其設置根本原則有兩個方面,第一,盡可能利用變頻器自身的快速響應功能,加減速時間盡量短,提高絞車的運行速度,提高生產效率;第二,最大加速度不允許超過國家安標,防止安全事故,基于以上兩點考慮,實際應用中,變頻器從0至50Hz的加速時間設置為6s,從50Hz至0Hz的減速時間設置為6s,經現場實際運行,完全滿足現場運行要求。
2、額定電壓(V)設置:變頻器在額定頻率時對應的輸出電壓。星點漂移功能參數:設為10009表示10000V每相9個單元,變頻器在星點漂移功能使用時,主控板在單元保護時做偏移角度計算。
3、轉矩提升(HMI V2.10)改善變頻器低頻轉矩特性,可對輸出電壓提升補償;默認值為0,如10代表1.0%,22代表2.2%。額定電壓為10000V時,如果設置為10,則對應電壓在最低頻率(0Hz)電壓提高100V,設置為100時,則對應電壓在最低頻率(0Hz)電壓提高1000V;低頻補償值設為10時,則2Hz時輸出電壓為10000*[(2/50)+ 0.01]=500V在運行過程中設置不響應,停機后設置有效。本參數在調試中設定為10。
4、單元保護個數:主控停機當變頻器單元故障數目達到設定的值時,變頻器停機封鎖輸出的同時給出故障信號。本參數設定為2。
5、過壓保護值(V):當輸入電壓值高于該設置值時,變頻器給出過壓保護。本參數設定為12000。
6、欠壓保護值(V) 當輸入電壓值低于該設置值時,變頻器給出欠壓保護(主控程序V210的欠壓保護是必須在有輸出電流的情況下才進行保護,并且電流不能小于額定電流的30%)。本參數設定為8000。
7、有關拖動電機參數錄入:按照電機銘牌參數在變頻器相應人機界面上輸入相應參數即可。
8、啟動模式選擇:本提升機針對不同提升機啟動要求,有兩種模式選擇。
(1)直流制動模式:當提升機給出方向信號和閘信號后,變頻器啟動運行;
(2)堵轉運行模式:當提升機給出方向信號,變頻器開始運行,當電機電流達到所需的電流閥值時,松閘信號給出,絞車開始運行。本機中該參數設置直流制動模式有效。
9、提升機單、雙鉤選擇:本提升機針對單、雙鉤提升機,有兩種模式選擇。
(1)雙鉤:適用于雙鉤運行的現場。
(2)單鉤:適用于單鉤運行的現場。本機中設置單鉤有效。
4變頻運行情況
從目前運行情況看,主井提升絞車變頻拖動后,實現了絞車的軟啟動、軟停止,提高了生產效率。據實測,當減速及重物下放時,實現了制動回饋。尤其在低速段節能明顯,在提升量基本相同的情況下,變頻運行時節電量達25%以上。另外,變頻器保護功能齊全,除一般過載、短路、過欠壓、缺相等保護功能外,還設有連鎖保護、自動限速保護功能等,保證了提升機的安全運行。變頻器保護監控精確定位。方便用戶對故障進行診斷。變頻器故障相應人機界面如圖6所示。A、B、C各相每個單元如果發生母線過壓、逆變過流、回饋過流、接收光纖故障、開機信號、缺相、過熱、主控接收光纖故障等故障時,均可在相應功率單元上顯示,精確定位故障,方便用戶處理,及時采取措施,排除故障,提高了設備的可靠性。
圖6變頻器故障記錄與故障診斷界面
5結束語
提升機高壓變頻器應用于交流提升機轉子串電阻電控系統改造及新提升機電控系統配置,提高了礦山提升機控制技術和裝備水平,絞車實現了高轉矩、高精度、寬調速范圍驅動,確保了提升機高質量運行,是交流提升機電控系統發展的方向,也得到了越來越多的煤礦認同,提升機變頻器應用前景越來越廣闊。