
產品與解決方案/PRODUCT AND SOLUTIONS
少用電 用好電 再生電 存儲電 防爆電
解決方案
高壓變頻器在寶源礦業公司礦井提升機的應用
1引言
湖南省煤業集團有限公司(簡稱湘煤集團)是經湖南省人民政府批準設立的大型省屬國有獨資企業,是全國煤炭百強企業和全國煤炭產量50強企業,是省政府確定的全省能源保障主平臺和省政府重點支持加快發展的九大企業之一,總設計生產能力3000萬噸/年。
2009年,湘煤集團集中原煤優勢資產,聯合國電、大唐等大型企業共同發起設立了湖南黑金時代股份有限公司,寶源礦業有限公司是其下轄的子公司之一。
北平硐礦是寶源礦業公司下屬兩個礦井之一,北平硐礦井副井提升機采用繞線式異步電動機拖動,電機的調速方式采用傳統的串電阻調速方式,該調速方式屬于落后技術,存在以下缺點:
(1)大量的電能消耗在轉差電阻上,造成了嚴重的能源浪費。
(2)控制系統復雜,導致系統的故障率高,接觸器、電阻器、繞線電機碳刷容易損壞,維護工作量很大,直接影響了生產效率。
(3)低速和爬行階段需要依靠制動閘皮摩擦滾筒實現速度控制,特別是在負載發生變化時,很難實現減速控制,導致調速不連續、速度控制性能較差。
(4)啟動和換檔沖擊電流大,造成了很大的機械沖擊,導致電機的使用壽命大大降低,而且極容易出現“掉道”現象。
(5)自動化程度不高,增加了開采成本,影響了產量。
(6)低速段的啟動力矩小,機械特性比較軟,帶負載能力差,無法實現恒轉矩提升。
針對以上這些問題,煤礦決定對原系統進行改造。根據當今科技的發展,采用技術含量較高的變頻調速,替代原來的繞線電機串電阻調速,是較理想的方案。經礦方多方面考察多個用戶現場,選用山東新風光電子科技發展有限公司生產的風光牌JD-BP37-500T型高壓變頻器提升系統。
2 改造設備介紹
寶源煤業公司北平硐礦副井絞車現場使用兩個操作系統,原操作系統控制工頻運行。新操作系統為山西華威提供,控制變頻運行。互為備用,保證提升機安全運行。兩個操作系統共用一個絞車系統。
2.1現場提升設備參數
設備配置如表1所示。現場設備如圖1所示。



圖1 現場設備圖
2.2高壓提升機變頻器參數
新風光電子公司是國內較早的從事提升機變頻器研究的專業廠家,風光牌高壓提升機變頻器被列入國家火炬計劃,產品榮獲國家重點新產品、山東省科技進步獎,產品被列入國家重點節能技術推廣目錄第一批名單。
JD-BP37-T系列高性能高壓變頻調速產品,在以高速DSP(TMS320F2812)為控制核心,結合先進的無速度傳感器矢量控制技術,融合了先進的能量回饋技術,以及可靠的lGBT大電流驅動技術,是新一代高性能高壓變頻調速產品的典型代表。矢量控制功能使得異步電機啟動轉矩大,動態轉矩響應好,調速精度高。能量回饋技術的應用,使得功率單元串聯型高壓變頻器具備了四象限運行能力,能量可以在電網和電機之間雙向流動。高壓提升機變頻調速系統被列為國家火炬計劃項目,獲科技部中小企業技術創新基金項目資助。
風光高壓提升機變頻器具體參數如表2所示。

3改造方案
3.1主回路方案
為了確保安全可靠,讓變頻調速系統與原調速系統并存,互為備用,隨時可以切換。改造系統控制思路如圖2所示:

圖2 工、變頻系統切換控制
高壓提升機變頻器是整個改造系統的一個核心部分,它具有與電控系統相適配的各種接口。配合自動控制的操作臺運行時,電控臺向變頻器發出“正轉運行”、“反轉運行”和“變頻急停”三路開關量信號,以及一路4~20mA“給定轉速”信號。變頻器向電控臺發出“變頻器待機”、“變頻器故障”和“安全回路”三路開關量信號,以及用于顯示的模擬量輸出信號。電控臺控制高壓斷路器分、合閘,分別連入相應的控制回路中。絞車上安裝的軸編碼器向電控臺發出電機轉速及絞車位置信號。電控臺接受絞車司機的操作指令。
整個提升機系統中設有深度指示失效、限速、過卷、反轉、制動油過壓、閘瓦磨損、松繩、速度監視、制動油超溫、潤滑油超壓欠壓、變頻器的輕重故障等保護功能。系統能根據故障性質作出響應,必要時實施緊急制動,確保設備及人員的安全。
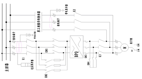
主回路改造原理如圖3所示:

圖3 主回路改造圖
圖3中K1、K2、K3為三臺高壓隔離開關,為了確保不向變頻器輸出端反送電,K1、K3與K2采用電磁互鎖操動機構,實現電磁和機械互鎖。K4為轉子側雙擲開關,變頻運行時,K4切換到變頻側,繞線電機轉子線圈經雙擲開關K4后處于短接狀態;工頻運行時,K4切換到工頻側,繞線電機轉子線圈經K4接至原調速電阻裝置。當K1、K3閉合,K2斷開,K4切換到變頻側,電機變頻運行;當K1、K3斷開,K2閉合,K4切換到工頻側,電機工頻運行,此時變頻器從高壓中隔離出來,便于檢修、維護和調試。另外,為了保證安全,變頻器高壓連跳信號和上一級的高壓斷路器也實現互鎖,變頻器高壓連跳串入上一級高壓斷路器的脫扣線圈,變頻器出現故障時,上一級的高壓斷路器斷開,實現高壓故障連跳功能。
3.2液壓制動系統的控制
礦山提升機首先要求的是保證人員和設備的安全,最重要的保證安全的設備是制動系統,目前多采用的液壓制動系統要求電控系統對其閥組進行控制以完成其正確的松閘、合閘動作。從電控系統的角度來看,液壓站是安全保護的執行設備。如果變頻器在運行過程中,發生故障,停機保護,則變頻器內置PLC與液壓站配合,完成提升機的停機過程,或者轉工頻運行。表3為該液壓站的閥組閉合動作邏輯:

1DT、2DT、3DT、4DT、5DT、6DT為液壓站電磁閥,電控系統PLC通過控制該六組電磁閥來控制制動油泵的起動,提供制動系統中需要的壓力。另外,通過控制六組電磁閥的開關狀態來實現:正常停車、井中緊急制動、井口緊急制動及跳繩離合器等動作。
3.3控制回路
該提升機變頻系統采用雙PLC控制。高壓變頻器內配置一套PLC用于柜體內開關信號的邏輯處理,以及與現場各種操作信號和狀態信號的協調;操作臺內配置一套PLC用于變頻系統和原工頻系統所有操作信號的邏輯處理,實現變頻器的自動、半自動運行。工變頻系統控制關系如圖4所示。

(1)變頻工作
操作臺人機界面啟動變頻操作畫面,根據工況要求,絞車司機通過操作臺首先給出上提(下放)指令,操作臺PLC向變頻器發出上提(下放)信號,然后司機推動閘把手柄給出松閘信號,變頻器PLC接收到信號后啟動變頻器。絞車司機通過推動檔位手柄調節檔位,操作臺PLC根據當前的檔位給出4~20mA頻率給定信號來控制變頻器的運行頻率,達到控制絞車運行速度的目的。
(2)工頻工作
操作臺人機界面啟動工頻操作畫面,根據工況要求,絞車司機通過操作臺給出上提(下放)指令,操作臺PLC控制換相柜內的換相接觸器來改變三相高壓電的相序,實現電機的正反轉;然后司機推動閘把手柄,電機起動。絞車司機通過推動檔位手柄調節檔位,操作臺PLC根據當前檔位分別控制KM1、KM2、KM3、KM4來調節絞車的速度。
(3)安全回路
變頻器高壓聯跳信號與操作臺緊急跳閘信號串聯起來,一起串入該系統的安全回路。當變頻器出現故障或者操作臺發出緊急跳閘信號,上一級的高壓斷路器斷開,同時制動系統緊急抱閘,保證生產安全。
4高壓提升機調試情況
4.1模擬電控試驗
通控制電調試時必須確保高壓電不能加到變頻器上,以確保人身安全;
(1)通上交流220V控制電,合上控制柜。旁路柜內斷路器,打開UPS,觸摸屏自動進入監控程序;
(2)合旁路柜主回路上的隔離開關(可以不合K1,把K1到PLC的節點短接,試完必須復位);
(3)短接高壓就緒;
(4)操作電控上的主令和付令信號控制變頻器運行,調節上提(下放)頻率運行到50Hz;用示波器測量單元輸出波形和總輸出波形是否正確,如果示波器看到的波形比較模糊,建議在變壓器輸入加入220VAC電源,輸出電壓開環控制狀態下看輸出波形;
(5)電控給變頻的主令和付令信號:主令和付令信號應是獨立,應是經電控處理后給出。主要檢測是否存在下面2個問題:
①制動泵不啟動而主令和付令信號給出到變頻器,這樣變頻器運行時電機堵轉,變頻器會過流保護或者損壞。
②制動泵不啟動時是否存在主令或副令中有一個信號給出到變頻器,這樣變頻器會出輸制動信號電機有制動電流,長時間制動有可能出現燒壞電機的現象;
(6)電控在檢測到變頻器就緒后啟動制動泵、潤滑泵。制動泵、潤滑啟動后操作主令和付令給出上提(下放)松閘信號變頻運行。(制動泵、潤滑泵不啟動不能給出上提下放信號,即安全回路輸入信號報故障);
(7)試驗變頻與工頻的互鎖;
(8)試驗電磁鎖;
(9)試驗變頻器的各項保護功能,報警功能與分斷外部高壓功能;
(10)試驗變頻與電控之間的各種功能,確保各種互鎖與信號邏輯的正確性。
4.2現場通高壓電調試
(1)將高壓電送至變頻器,無特殊情況不允許在通高壓電開機運行的情況下測量輸出或是其他地方,如需測調試人員需做好安全防護并經技術人員允許后再測試,以免出現安全事故;
(2)在不開機狀態下測量功率單元輸入電壓,并換算到隔離變壓器初級,看電網電壓高低情況,來判斷是否需要調整變壓器電壓抽頭,并做好記錄;
(3)試驗工頻變頻狀態下,電機轉向是否一致。如果不一致,則將變頻器三相輸出中任意兩相更換位置。
(4)輕載試驗:
①設定變頻器的基本參數。上升時間為15s,下降時間為15s,上限頻率50Hz,下限頻率1.5Hz,額定頻率50Hz,功能設置4,制動電流(設為不超過額定電流的1.5倍,設定過小重物上提時電機會反轉),頻率穩定度為0.1Hz,電流系數為出廠值,額定電壓為變頻器的額定電壓,低頻補償為20(重載試驗時在調整),額定電流為電機的額電流,輸出電壓下降時間為0,頻率到達信號45Hz,啟動頻率0.5Hz,比例系數控制為350以出廠為準,反轉頻率上限為25Hz(重載試驗完后調整為50Hz或現場要求的速度)輸出電壓閉環系數為出廠值,定子電阻系數為0。
②開機上提和下放觀察減速區內有否超速現象和提升機的回饋是否正常,超速減小下降時間再試,回饋不正常查明原因后再試。輕載正常轉入重載試驗。
(5)重載試驗:上升時間為15s,下降時間為15s,上限頻率50Hz,下限頻率1.5Hz,反轉上限頻率為25Hz,上提看電機是否反轉如反轉停機增加低頻補償值以不出現反轉為準,下放看變頻回饋是否正常,正常停機后反轉上限頻率調整為30Hz,再上提下放一次如正常反轉上限頻率調整為35Hz,每試一次反轉上限頻率增加5Hz,到50Hz后。調整上升下降時間,每開一次機調整2s時間以滿足現場要求。調試正常后記錄下變頻器的基本參數。
5各種保護的觀察和試驗
(1)高壓斷電保護:在安全繼電器吸合情況下,踩下右下角的腳踏開關,高壓開關掉電,安全回路繼電器立即斷電。
(2)主令位置保護:主令不在零位的情況下,安全回路繼電器斷電后,安全條件具備燈不會得電。
(3)手閘位置保護:在手閘推上情況下,安全回路繼電器斷電后,此時安全條件具備燈不會得電。
(4)減速過速保護:當提升機運行到減速點時,有減速報警及減速功能,如超過給定的12%時安全繼電器立即斷電,同時伴有語言報警;試驗減速過速時,在減速區按住慢上按鈕,當速度超過0.5m/s安全回路立即斷電,同時伴有語言報警。
(5)等速段超速保護:當正常速度超過額定速度的15%時,在或等速區時按住慢上速度超過0.5m/s安全回路立即斷電,同時伴有語言報警。
(6)制動油過壓保護:人為使制動油壓增加到大于6.2MPa,安全回路繼電器立即斷電,制動泵停止。
(7)接近井口的2m/s限速保護:此項保護可通過觀察提升機運行過程中2m/s速度繼電器工作的正確性和接近井口的位置繼電器工作的正確性來判斷。也可以按住慢下按鈕,使提升機運行到接近停車位置8m時速度超過0.4m/s來試驗。
(8)過卷保護:該保護有2處,即監控機過卷、主控機過卷,可采用暫時短接1處,判斷1處的辦法進行,作此項試驗時,一定要使提升機運行到過卷位置,但速度不可過快,任意一處動作都會使安全回路繼電器斷電。
(9)軸編碼器壞保護:在提升機慢速運行時,將任一個軸編碼器的輸出線斷開,提升機運行4m后,安全回路繼電器立即斷電。
(10)潤滑油欠壓:如果潤滑油壓低于0.05MPa時,無法打上信號。
(11)閘間隙保護:人為動作后有語言報警。
(12)錯向保護:人為使提升機向反方向運行,速度超0.5m/s或行程超過1m,安全回路掉電。
6現場應用情況及運行效果
從目前運行情況看,副井提升絞車變頻改造后,實現了電動機的真正軟啟動,縮短了提升時間,減少維護工作量,提高了生產效率。大大提高了提升機的安全運行。高壓提升機變頻器現場運行如圖5所示。

圖5風光高壓提升機變頻器現場運行圖
絞車改造后,整個變頻提升系統具有如下特點:
(1)變頻系統甩掉了原電控調速用的交流接觸器及調速電阻,提高了系統的可靠性,改善了操作人員的工作環境。
(2)實現了絞車電機的軟起動和軟停止,使運行更加平穩,機械沖擊小。
(3)啟動及加速過程沖擊電流小,加速過程中最大啟動電流不超過1.3倍的額定電流,提升機在重載下從低速平穩無級平滑地升至最高速,也沒有大電流出現,大大地減小了對電網的沖擊。
(4)增加了直流制動功能,使重車停車時更加平穩。
(5) 節能效果顯著。據實測,在低速段節能明顯,一般可達到20%左右。采用回饋制動,節能效果越明顯。
(6) 保護功能齊全,除了過壓、欠壓、過載、過熱、短路等自身保護外,還設有外圍控制的連鎖保護,包括制動閘信號與正、反轉信號的連鎖,變頻器故障信號與系統安全回路的連鎖,機內備有自動減速程序等。對提升機運行過程中的參數及可能危及提升機正常運行的設備進行監測,并具有故障顯示、報警功能。
鑒于風光高壓提升變頻系統改造的良好效果,湘煤集團下屬的多家煤礦改造的絞車變頻提升系統均采用新風光電子公司生產的高壓產品。