
產品與解決方案/PRODUCT AND SOLUTIONS
少用電 用好電 再生電 存儲電 防爆電
產品系列

高壓四象限變頻器
新風光電子科技股份有限公司是國內較早的從事提升機(四象限或者能量回饋型)變頻器研究的專業廠家。新風光高壓四象限(提升機)變頻器采用先進的矢量控制技術,同時,可以根據現場情況采用無旋轉編碼器的矢量控制,矢量控制與傳統的V/F控制最主要的區別是矢量控制可以把把無功電流與有功電流(轉矩電流)區分開來,在提升過程中可以根據負載的變化自動調整有功電流使輸出力矩達到較佳工作狀態,可以輸出額定轉矩的2.5倍。
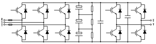
1、四象限變頻器可進行能量回饋,其功率單元的電路結構如下圖所示。整流側和逆變側均采用IGBT功率器件,控制方法采用SVPWM技術。

2、當電機處于拖動狀態時,能量從電網經整流回路、逆變回路流向電機,變頻器工作在第一、第三象限。輸入電壓和電流波形如下圖所示。

3、當電機處于發電狀態時,電機產生的能量通過逆變側的二極管回饋到母線電壓,當直流母線電壓超過一定的值,整流側能量回饋控制部分啟動,將直流逆變成交流,通過控制逆變電壓相位和幅值將能量回饋到電網。變頻器工作在第二、四象限。輸入電壓和電流波形如下圖所示。

4、針對提升機與電控的運行工藝,具備提升機專用功能,完善的功能接口,如上提、下放、閘信號、多段速、安全連鎖等。同時具備頻率上下限設定、轉矩提升等功能;

1、矢量控制、快速響應
通過測量和控制交流電動機定子電流矢量,根據磁場定向原理分別對交流電動機的勵磁電流和轉矩電流進行控制,從而達到控制交流電動機轉矩的目的。啟動轉矩大,轉矩動態響應快,控制精度高,帶負載能力強。可驅動同步或異步電機,尤其適用于球磨機、皮帶機、壓縮機等沖擊類負荷。

2、多機聯動、功率平衡
變頻器具備主從控制功能,多臺變頻器之間可通過數據總線組成主從控制網絡。將其中的一臺設為主機,其他設為從機,主機實時采集各從機的狀態信息,同時發送給各從機頻率、轉矩指令,實現各臺變頻器的功率平衡和綜合控制。該技術適用于皮帶機、摩擦式提升機等需要功率平衡控制的場合。

3、波形顯示、記錄全面
主控系統實時監測輸入電流、電壓,輸出電壓、電流,并實現其波形的顯示,還可對每相電壓、電流進行諧波分析,有助于用戶掌握設備的各種電量參數。

4、黑匣功能、智能分析
設備具有自動記錄運行狀態和顯示的功能,可查看保護前后共計200個點(100ms)的輸出電流、輸出電壓、設定頻率、運行頻率、輸入電流和輸入電壓值,方便日常維護及快速異常診斷。

5、溫度分段、提前預警
主控制系統實時監測并顯示每個功率單元的溫度,當多個單元溫度超過設定警值時,給出聲光報警,提示用戶及時處理散熱風機跳閘、濾網堵塞等問題。

6、無擾切換、避免沖擊
變頻切工頻:變頻器將電動機帶到工頻頻率,通過對工頻電網頻率、相位和幅值進行檢測,然后調整變頻器輸出與工頻同頻同相。調整完畢,將電動機連接到電網端后再脫開變頻器。工頻切變頻:首先變頻器通過檢測工頻電網頻率、相位和幅值,變頻器切入后直接輸出相應的電壓矢量到電機,最后將工頻退出。該技術可滿足多電機綜合控制及大容量電機軟啟動的需要,最大電流小于等于額定電流,真正做到快速軟切換和無大電流沖擊。

7、高低穿越、波動無懼(100%-0%)
在用戶主電源瞬時停電、瞬時跌落、廠用電網切換時,變頻器能保證在限定時間內電網恢復后能夠自動正常運行,增強電網適應性。可適應電網不同深度的Uo(100%-0%)電網跌落。

8、其他技術特點
雙回路控制電源供電,穩定可靠。
高功率密度:單元體積小 ,模塊化設計;整機結構緊湊,占用空間小。
直流制動技術:電機在旋轉狀態中(10Hz以下),通入直流制動電流,可將電機從旋轉狀態強制變為停止狀態。
限流技術:變頻器開機運行狀態下,如果電流超過限制值,通過降頻方式限制電流的增加,直到電流小于限制值,變頻器恢復到正常運行頻率。
過壓失速技術:變頻器在降頻過程中,出現電機發電,母線升高時,變頻器通過自動加長降頻時間,防止由于母線過壓導致的停機問題。
多種控制方式:可選擇本機控制、遠控盒控制、DCS控制;支持MODBUS、PROFIBUS等通訊協議;頻率設定可以現場給定、通訊給定等;支持頻率預設、加減速功能。
加減速自適應功能:變頻器根據當前電機運行的負載電流調整加速時間或者限制電機運行頻率,從而限制電流,實現加速過程中不過流的功能。變頻器降頻過程中根據母線電壓的大小調整降頻時間,從而達到降頻過程中不過壓的功能。
產品型號 | JD-BP37/38-T | |
適用電機功率(kW) | 200kW-3250kW(以4極電機為標準, 6-12極電機按電流選型) | |
輸 出 | 額定功率(kW) | 電機額定電壓下工作的功率: |
200kW-3250kW | ||
額定電流(A) | 電機額定電壓下工作的電流 | |
過載能力 | 105%連續130%允許1分鐘 | |
130%允許1分鐘 | ||
150%允許3秒 | ||
輸出電壓(kV) | 三相:0-6kV,(0-10kV) | |
波形 | 多重化SPWM正弦波 | |
輸 入
| 相數、頻率、電壓 | 三相,50Hz ,6kV(10kV) |
允許波動 | 電壓:-10%~+10%,頻率:±5%,-10%~-35%降額連續運行 | |
基 本 性 能 | 啟動頻率 | 0—10Hz可設定 |
精度 | 模擬設定:最高頻率設定值的0.3%(25±10℃)以下 數字設定:最高頻率設定值的0.02%(-10~+50℃)以下 | |
分辨率 | 模擬設定:最高頻率設定值的二千分之一 數字設定:0.01Hz(99.99Hz以下),0.1Hz(100Hz以上) | |
效率 | >95%,額定輸出時 | |
功率因數 | >0.95 | |
控 制 | 加、減速時間 | 0.1~6000.0S,對加速、減速時間可以單獨設定 |
電壓/頻率特性 | 由所選定的V/F曲線決定 | |
PID | 手動設定PID參數 | |
附屬功能 | V/F曲線、低頻補償、額定電流、電流保護界限設定 | |
高壓隔離 | 電磁耦合,多通道光纖傳輸 | |
控制電源輸入 | AC 220V 2kVA | |
運 轉 | 運轉操作 | 本控(觸摸屏)操作、遠距離外控操作,上位機操作(可選) |
頻率給定 | 觸摸屏數字給定、多段速給定,外控模擬信號(DC4~20mA)給定 | |
運轉狀態輸出 | 繼電器狀態輸出,變頻器故障、報警、運行/停止等狀態指示 | |
觸摸屏 | 輸入/出電壓、輸入/出電流、設定值、各單元故障狀態、運行狀態、變壓器 狀態、各單元母線電壓等 | |
保護功能 | 電機過電流、整機過壓、整機欠壓、單元過電流、單元過壓、單元過熱、 單元輸入缺相、光纖通信故障等 | |
環 境 | 使用場所 | 室內,沒有腐蝕或導電性氣體、灰塵、直射陽光、海拔1000米以下 |
環境溫度/ 濕度 | -10℃~+40℃ / 20~90%RH 不結露 | |
振動 | 5m/s2(0.6g以下) | |
保存溫度 | -20~+65℃(適用運輸等短時間的保存) | |
冷卻方式及外殼防護等級 | 強迫風冷/IP31,水冷/IP40 | |
變頻器型號 | 適配電機功率 | 外形尺寸及重量 | 重量(kg) | ||
寬度(W)(mm) | 深度(D)(mm) | 高度(H)(mm) | |||
JD-BP37-280T | 280 kW/6kV | 2200 | 1700 | 2120 | 2400 |
JD-BP37-315T | 315 kW/6kV | 2200 | 1700 | 2120 | 2465 |
JD-BP37-355T | 355k W/6kV | 2200 | 1700 | 2120 | 3050 |
JD-BP37-400T | 400 kW/6kV | 2200 | 1700 | 2120 | 3120 |
JD-BP37-500T | 500 kW/6kV | 2200 | 1700 | 2120 | 3160 |
JD-BP37-560T | 560 kW/6kV | 2200 | 1700 | 2120 | 3490 |
JD-BP37-630T | 630 kW/6kV | 2200 | 1700 | 2120 | 3650 |
JD-BP37-710T | 710 kW/6kV | 2200 | 1700 | 2120 | 3825 |
JD-BP37-800T | 800 kW/6kV | 2200 | 1700 | 2120 | 4385 |
JD-BP37-1000T | 1000 kW/6kV | 2200 | 1700 | 2120 | 4430 |
JD-BP37-1120T | 1120 kW/6kV | 3300 | 1700 | 2420 | 5520 |
JD-BP37-1250T | 1250 kW/6kV | 3300 | 1700 | 2420 | 5560 |
JD-BP37-1400T | 1400 kW/6kV | 3300 | 1700 | 2420 | 5600 |
JD-BP37-1600T | 1600 kW/6kV | 3600 | 1700 | 2420 | 5850 |
JD-BP37-1800T | 1800 kW/6kV | 3600 | 1700 | 2420 | 5920 |
JD-BP37-2000T | 2000 kW/6kV | 3600 | 1700 | 2420 | 6090 |
JD-BP37-2500T | 2500 kW/6kV | 5550 | 1700 | 2420 | 5920 |
JD-BP37-T系列(6kV)選型規格與外形尺寸(不含切換柜/接線柜)
以上尺寸僅供參考,具體請以實物為準。
變頻器型號 | 適配電機功率 | 外形尺寸及重量 | 重量(kg) | ||
寬度(W)(mm) | 深度(D)(mm) | 高度(H)(mm) | |||
JD-BP38-250T | 250 kW/10kV | 2800 | 1700 | 2120 | 3500 |
JD-BP38-280T | 280 kW/10kV | 2800 | 1700 | 2120 | 3520 |
JD-BP38-315T | 315 kW/10kV | 2800 | 1700 | 2120 | 3540 |
JD-BP38-355T | 355 kW/10kV | 2800 | 1700 | 2120 | 3560 |
JD-BP38-400T | 400 kW/10kV | 2800 | 1700 | 2120 | 3580 |
JD-BP38-450T | 450 kW/10kV | 2800 | 1700 | 2120 | 3600 |
JD-BP38-500T | 500 kW/10kV | 2800 | 1700 | 2120 | 3600 |
JD-BP38-560T | 560 kW/10kV | 2800 | 1700 | 2120 | 3620 |
JD-BP38-630T | 630 kW/10kV | 2800 | 1700 | 2120 | 3725 |
JD-BP38-710T | 710 kW/10kV | 2800 | 1700 | 2120 | 3900 |
JD-BP38-800T | 800 kW/10kV | 2800 | 1700 | 2120 | 3965 |
JD-BP38-1000T | 1000 kW/10kV | 2800 | 1500 | 2120 | 5680 |
JD-BP38-1120T | 1120 kW/10kV | 2800 | 1500 | 2120 | 5700 |
JD-BP38-1250T | 1250 kW/10kV | 2800 | 1500 | 2120 | 5755 |
JD-BP38-1400T | 1400 kW/10kV | 2800 | 1500 | 2120 | 6050 |
JD-BP38-1600T | 1600 kW/10kV | 2800 | 1500 | 2120 | 6445 |
JD-BP38-1800F | 1800 kW/10kV | 4200 | 1700 | 2420 | 9250 |
JD-BP38-2000F | 2000 kW/10kV | 4200 | 1700 | 2420 | 9280 |
JD-BP38-2250F | 2250 kW/10kV | 4200 | 1700 | 2420 | 9330 |
JD-BP38-2500F | 2500 kW/10kV | 4200 | 1700 | 2420 | 9380 |
JD-BP38-2800F | 2800 kW/10kV | 1700 | 2420 | 9900 | |
JD-BP38-3250F | 3250 kW/10kV | 4500 | 1700 | 2420 | 9950 |
JD-BP38-T系列(10kV)成套裝置選型規格與外形尺寸(不含切換柜/接線柜)
以上尺寸僅供參考,具體請以實物為準。


魯公網安備 37083002000095號
魯ICP備19001210號-1 Copyright ? 2020 All Rights Reserved
