
產品與解決方案/PRODUCT AND SOLUTIONS
少用電 用好電 再生電 存儲電 防爆電
產品系列

通用型高壓變頻器
JD-BP37/38系列高壓變頻調速系統,以高速DSP為控制核心,采用空間矢量技術、功率單元串聯多電平技術等多種先進控制技術,以高可靠性、易操作、高性能、小體積為設計目標,滿足用戶各類負載調速節能、改善生產工藝的需要,屬高-高電壓源型變頻器。其諧波指標遠小于IEE519-2014的國家標準,輸入功率因數高,輸出波形質量好,不必采用輸入諧波濾波器、功率因數補償裝置和輸出濾波器;不存在諧波引起的電機附加發熱和轉矩脈動、噪音、共模電壓等問題,可適用于同步電機(含永磁同步電機)、異步電機。
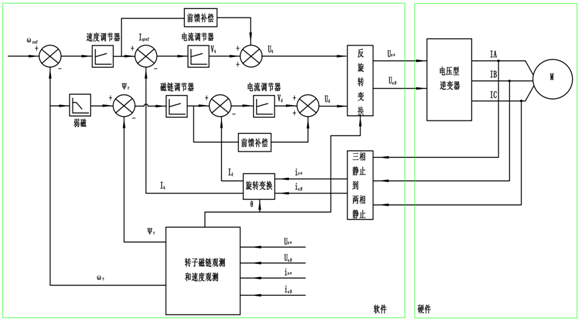
1、矢量控制、快速響應
通過測量和控制交流電動機定子電流矢量,根據磁場定向原理分別對交流電動機的勵磁電流和轉矩電流進行控制,從而達到控制交流電動機轉矩的目的。啟動轉矩大,轉矩動態響應快,控制精度高,帶負載能力強??沈寗油交虍惒诫姍C,尤其適用于球磨機、皮帶機、壓縮機等沖擊類負荷。

2、多機聯動、功率平衡
變頻器具備主從控制功能,多臺變頻器之間可通過數據總線組成主從控制網絡。將其中的一臺設為主機,其他設為從機,主機實時采集各從機的狀態信息,同時發送給各從機頻率、轉矩指令,實現各臺變頻器的功率平衡和綜合控制。該技術適用于皮帶機、摩擦式提升機等需要功率平衡控制的場合。

3、波形顯示、記錄全面
主控系統實時監測輸入電流、電壓,輸出電壓、電流,并實現其波形的顯示,還可對每相電壓、電流進行諧波分析,有助于用戶掌握設備的各種電量參數。

4、黑匣功能、智能分析
設備具有自動記錄運行狀態和顯示的功能,可查看保護前后共計200個點(100ms)的輸出電流、輸出電壓、設定頻率、運行頻率、輸入電流和輸入電壓值,方便日常維護及快速異常診斷。

5、溫度分段、提前預警
主控制系統實時監測并顯示每個功率單元的溫度,當多個單元溫度超過設定警值時,給出聲光報警,提示用戶及時處理散熱風機跳閘、濾網堵塞等問題。

6、無擾切換、避免沖擊
變頻切工頻:變頻器將電動機帶到工頻頻率,通過對工頻電網頻率、相位和幅值進行檢測,然后調整變頻器輸出與工頻同頻同相。調整完畢,將電動機連接到電網端后再脫開變頻器。工頻切變頻:首先變頻器通過檢測工頻電網頻率、相位和幅值,變頻器切入后直接輸出相應的電壓矢量到電機,最后將工頻退出。該技術可滿足多電機綜合控制及大容量電機軟啟動的需要,最大電流小于等于額定電流,真正做到快速軟切換和無大電流沖擊。

7、高低穿越、波動無懼(100%-0%)
在用戶主電源瞬時停電、瞬時跌落、廠用電網切換時,變頻器能保證在限定時間內電網恢復后能夠自動正常運行,增強電網適應性??蛇m應電網不同深度的Uo(100%-0%)電網跌落。

8、其他技術特點
雙回路控制電源供電,穩定可靠。
高功率密度:單元體積小 ,模塊化設計;整機結構緊湊,占用空間小。
直流制動技術:電機在旋轉狀態中(10Hz以下),通入直流制動電流,可將電機從旋轉狀態強制變為停止狀態。
限流技術:變頻器開機運行狀態下,如果電流超過限制值,通過降頻方式限制電流的增加,直到電流小于限制值,變頻器恢復到正常運行頻率。
過壓失速技術:變頻器在降頻過程中,出現電機發電,母線升高時,變頻器通過自動加長降頻時間,防止由于母線過壓導致的停機問題。
多種控制方式:可選擇本機控制、遠控盒控制、DCS控制;支持MODBUS、PROFIBUS等通訊協議;頻率設定可以現場給定、通訊給定等;支持頻率預設、加減速功能。
加減速自適應功能:變頻器根據當前電機運行的負載電流調整加速時間或者限制電機運行頻率,從而限制電流,實現加速過程中不過流的功能。變頻器降頻過程中根據母線電壓的大小調整降頻時間,從而達到降頻過程中不過壓的功能。